SVARFORUM.cz - forum o svářečkách a svařování


Chcete-li přispívat do fóra, musíte se zaregistrovat !


Navštivte také:      SVAR INFO
Reklama na SVARFORUM

Nejste přihlášen(a)

SVARINFO - magazín o praktickém svařování


#1 28-03-2022 20:58:46

lojzo2000
Člen
Registrovaný: 14-03-2022
Příspěvky: 8

Zapojenie S-MAT 200 (Einhell) na 400V alebo podobny smejd

Zdravim prerobil som trosku COčku   vymenil som  PBC dosku novu (MIG-6 univerzal)  a externy zdroj kde som pouzil na spinanie transformatora SSR rele  SSR-40A DC-AC 480VAC

Problem je vtom ze teraz to mam na 230V zvara to dobre ale ma to odber 21A  na starom dome kde mame stare ističe funguje dobre. Ale ak Cočku  použijem na "novom dome" kde je hlavny istic 25A-B tak na  max vykone (6stke 180A) mi vyrazi poistky jak isto aj na (5tke) pracuje iba do  max 4rky

potreboval by som prepnut Cočku na 400V ale neviem ako nasiel som zopar schem zapojeni ale neviem ako zapojit spinac HZ8B-20/4

ked je COcka zapojena na 400V nepouživa N-vodic??? Každa scheme je ina a moc im nechapem

Teraz mam SSR rela zapojene tak ze podla shcemi  spina CN3 a CN4  N-vodic je zapojeny priamo na ventilatok

neviem ako zapojit HZ8B-20/4 kam mam dat L1 L2 a N vodic  aby to fungovala na 400V" aby bolo na CN3 a CN4 400V

spinač
http://www.svarforum.cz/forum/uploads/thumbs/10647_img_20220306_115711.jpg
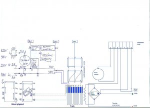
schema co som nasiel na fore
http://www.svarforum.cz/forum/uploads/thumbs/10647_1400_uprava_schema_2.jpg


takto to ma byt zapojene ?(asi)
[img]http://www.svarforum.cz/forum/uploads/thumbs/10647_img_20220328_204500.jpghttp://www.svarforum.cz/forum/uploads/thumbs/10647_img_20220328_204500.jpg

Editoval lojzo2000 (28-03-2022 21:03:22)

Offline

 

#2 27-04-2022 15:00:41

nxn
Člen
Registrovaný: 11-09-2008
Příspěvky: 16

Re: Zapojenie S-MAT 200 (Einhell) na 400V alebo podobny smejd

To trafo je určené pro 400V ?

Offline

 

#3 28-04-2022 09:46:52

bobobo
Člen
Registrovaný: 20-08-2009
Příspěvky: 4574

Re: Zapojenie S-MAT 200 (Einhell) na 400V alebo podobny smejd

Kdyby jsi sem dal původní typ svářečky ... a jinak jsi musel mít ten přepínač 230/400 již zapojený dříve , takže by jsi vývody viděl . Jinak v použitém zapojení je opravdu ventilátor zapojen při 400V přes kondík .

Offline

 

#4 28-04-2022 15:16:55

varok
Člen
Místo: Havířov
Registrovaný: 20-11-2009
Příspěvky: 8976

Re: Zapojenie S-MAT 200 (Einhell) na 400V alebo podobny smejd

bobobo: Však ta svářečka je S-Mat 200


Omicron GAMA 1900L HF, Omicron GAMASTAR 176L, kukla BOHLER Guardian 62

Offline

 

Zápatí

O SvarFóru + Pravidla

Powered by PunBB

SVARFORUM diskusní fórum o svářečkách, svářečích a svařování kovů i plastů.
Ze skupiny SVARWEB - portál vašeho svařování.   2005 Notice: Use of undefined constant Y - assumed 'Y' in /DISK2/WWW/svarforum.cz/www/forum/footer.php on line 139  -  2026


Doporučujeme:  Dětské montérky a maskáče