SVARFORUM.cz - forum o svářečkách a svařováníChcete-li přispívat do fóra, musíte se zaregistrovat ! Navštivte také: SVAR INFO |
|
Nejste přihlášen(a)
Stránky: 1 2
Jumbo27 napsal(a):
Zdravím pánové a zejména člena "ok", na kterého bych měl prosbu o zodpovězení mých otázek.
V první řadě klobouk dolů - to zde uvedené řízení tyristorů je fascinující a určitě jedinečné pro svou jednoduchost. Již delší dobu mi doma leží trafo z RTB3 a rád bych využil uvedené schéma jednofázového řízení pro regulaci tohoto trafa. Jedná se o trafo na C jádru, zapojené mezifázově. Měl bych ale otázku k tomuto konkrétnímu zapojení.
http://www.svarforum.cz/forum/uploads/t … undaru.png
Pokud porovnávám toto schema se zapojením pro třífázový transformátor, neštimuje mi tu zapojení regulace. Jestli jsem to správně pochopil, řídící elektrody tyristorů jsou buzeny děličem RC na kterém je fáze posunuta o 90° (pokud napětí na R je stejné, jako napětí na C). Do tohoto RC členu je zavedeno přes odporový dělič 1k2 + 1k2 stejnosměrné napětí pro posun fáze 0° - 180° a střed symetrického zdroje (GND) je připojen na katody tyristorů, tedy výstupní "+".
Podle schematu pro jednofázové trafo je ale toto řídící napětí přivedeno na katody tyristorů, tedy na "+", což mi tak trochu není jasné, proč je to právě takto a navíc společný střed symetrického zdroje není připojen na katody tyristorů, tedy "+" tak, jako v zapojení 3F trafa.
Domnívám se tedy, že zapojení by mohlo vypadat nějak takto, možná se ale pletu.
http://www.svarforum.cz/forum/uploads/t … ace_1f.jpg
Dále by mě zajímalo, jestli můžu místo malého trafa pro napájení obvodu regulace využít svařovací trafo a dovinout potřebné vinutí 2x5/8V přímo na svařovací transformátor.
Při použití malého trafa připojeného na sekundár svařovacího trafa bych měl trochu obavy, že při kolísání napětí při svařování se bude měnit i napětí regulačních obvodů a tím pádem i úroveň nastavené regulace.
Samozřejmě nezpochybňuji zde uvedené zapojení - to bych si nedovolil, jen bych chtěl poprosit o podrobnější vysvětlení principu. Toto uvedené zapojení mě opravdu nadchlo a rád bych jej realizoval, ale potřebuji pochopit, jak regulace funguje.
Tak bych moc poprosil o podrobnější info, příp. bych byl vděčný, pokud by mě mohl p. OK kontaktovat emailem.
Děkuji.
Zdravim Vas
V 3F usmernovaci jsem pouzil pomocna trafka s jedinym vinutim protoze jsem je mel k dispozici a nechtelo se mi vinout tri trafka nova ktera by mela stred vinuti. Z toho duvodu ten delic 2x1K2 ktery dela prakticky to samy - proste stred vinuti + dalsi 2 trafka pro stejnosmerny ofset. Samozrejme plovouci stred lze vytvorit i proti kteremukoli konci vinuti trafka ale zase potrebujete jinak resit stejnosmerny ofset coz je zbytecna komplikace. Zapojeni ktere uvadim pro jednofazovy usmernovac je platne a na mnoha konstrukcich overene (nabijecny aku, 1F svarecky, rregulace ss motoru...) Pomocna vinuti muzete klidne dat na hlavni trafo (to sem i delal kdyz jsem vyrabel trafo od zakladu). Pokud by Vam zapojeni nechodilo tak otocte polaritu nejsnadneji prehozenim Gatu tyristoru mezi sebou. Odpory Ro1 a Ro2 vynechte a potenciometr pripojte naprimo, slouzi pouze o omezeni rozsahu regulace a odstraneni mrtvych koncu drahy. Vezte ze nezbytne treba pouzit tyristoru s velmi malym proudem k sepnuti. Napr mnou doporuceny TIC 106N. Pokud potrebujete ridit tyristory treba svarovaci proud musite predradit temito tyristory i ony vykonove tyristory viz zde: http://www.svarforum.cz/forum/zobrobr.p … yk_tyr.png Moje zapojeni 1F usmernovace je symetricke abych pripadne mohl pouzit i operacni zesilovac na miste potenciometru, zavest zpetne vazby a jine. Princip zapojeni pochazi z dob thyratronu: https://cs.wikipedia.org/wiki/Tyratron Nehledejte v tom zadne zaludnosti, pouzijte moje zapojeni, pri ozivovani na vystup usmernovace pripojte vhodnou zatez (napr topne teleso) a mate-li osciloskop tak muzete sledovat jak krasne orezava od 0 do 180 stupnu.
Nezapomente na pomocny zapalovaci usmernovac ktery Vam bude drzet oblouk kdyz nejde proud mezi periodama. Jednodussi a spolehlivejsi zpusob rizeni tyristoru nenajdete.
Jeste co se tyce principu mrknite na tento obrazek:![]()
Modra sinusovka je ta kterou ridite a zelena je ta kterou spinate tyristor. Predstavte si ze zelenou sinusovkou muzete pohybovat nahoru a dolu ve smeru sipek a vsimnite (toto dela ten potenciometr) si ze se bude pohybovat i cerny bod ktery oznacuje misto kdy dojde k sepnuti tyristoru. Toto je princip rizeni jedne pulvlny a druha je totozna.
Kdybyste jeste necemu neporozumel tak nevahejte a napiste tu do komentaru.
Offline
Zdravím ok,
děkuji mnohokrát za podrobné vysvětlení. Teď už se můžu bez obav pustit do práce. Ještě sehnat tyristory a hlavně čas - to bude to nejhorší.
Tak ještě jednou díky a přeji hodně úspěchů.
Offline
Zdravim tu ve spolek
Protoze jsem si vsiml ze Ulozto kde jsem nahral nejaka videa a dalsi soubory k tomuto zapisu pozbylo sve funkce viz tento clanek
https://www.root.cz/clanky/uloz-to-v-pu … olecnosti/
a soubory znepristupnili tak davam bez ladu a skladu ke stazeni pro zajemce zde:
https://webshare.cz/#/file/2BdE7xF6Aj/svarecka-zip
A nebo zde:
https://datoid.cz/z5x951/svarecka-zip
Velikost souboru cca 300MB
Neni vsak vylouceno ze Webshare ci Datoid nedopadne jako Ulozto a i tento upload bude nepristupny.
Offline
Zdravím uzivatele OK, potřeboval bych menší radu k tvému prvnímu schématu , používáš 3f trafo se sekundárem 48v mohl bych toto tvoje zapojení výše použít na trafo s výstupem 3x400v tzn respektive oddelovací trafo 3x400/3x400v ?? vím je to zvláštní tak vysoké napětí ale okolnosti nedají jinou možnost děkuji pripadne muzu poslat schema stavajiciho trafa
Offline
david123741 napsal(a):
Zdravím uzivatele OK, potřeboval bych menší radu k tvému prvnímu schématu , používáš 3f trafo se sekundárem 48v mohl bych toto tvoje zapojení výše použít na trafo s výstupem 3x400v tzn respektive oddelovací trafo 3x400/3x400v ?? vím je to zvláštní tak vysoké napětí ale okolnosti nedají jinou možnost děkuji pripadne muzu poslat schema stavajiciho trafa
Zdravim Vas
Samozrejme je mozne pouzit i takoveto vstupni napeti do usmernovace avsak je treba respektovat mezni limity polovodicu zejmena ty napetove. Berte v potas ze Vami uvedene trafo vzhledem k sekundarnimu napeti rozhodne nebude ke svarovani protoze stejnosmerne napeti z usmernovace bude i 500V!!! coz je zivotu nebezpecne a sekundarni proud ziskate max par desitek amperu.
Offline
samozřejmě že zdroj není použit ke svařování, je to zdroj ke stroji kde potrebuji regulovat proud a napetí tedkom tam jsou tři vykonové diody a tři tyristory hadam že ze svářečky resp. vaše puvodní schéma dalo by se ríct souhlasí jen me zajíma zda muzu pouzit na regulaci vas regulator s vasimi navrhnutými soucastkami nebo např. ovládací transformátory namísto 110/24v pouzít 230/24 a nebo zda takové napetí vydrzi i pasivní soucastky ve schematu predem díky
Offline
david123741 napsal(a):
samozřejmě že zdroj není použit ke svařování, je to zdroj ke stroji kde potrebuji regulovat proud a napetí tedkom tam jsou tři vykonové diody a tři tyristory hadam že ze svářečky resp. vaše puvodní schéma dalo by se ríct souhlasí jen me zajíma zda muzu pouzit na regulaci vas regulator s vasimi navrhnutými soucastkami nebo např. ovládací transformátory namísto 110/24v pouzít 230/24 a nebo zda takové napetí vydrzi i pasivní soucastky ve schematu predem díky
Zdravim
Limitni soucastka je pomocny tyristor TIC106 a jeho mezni napeti, pouzit by se ale dal, trafka pro kapacitni delic pouzijte takova abyste na jejich sekundaru mel cca 10-20V, neni to uplne zasadni, SS napetim pak budete 'podpirat' a tim menit uhel otevreni tyristoru, ridici obvody ale nejsou galvanicky oddeleny od sitove strany coz muze byt problem ale zavisi na tom zda je to nutne, pokud budete jen ridit potenciometrem tak je to OK, muze se Vam hodit i zapojeni kde jsou vykonove tyristory buzeny pulzy z feritoveho trafka viz tez muj prispevek:
http://www.svarforum.cz/forum/viewtopic.php?id=12127
Samozrejme vyzaduje jiz znalosti elektroniky ale snadno lze modifikovat do trech fazi.
Offline
Dobry den,prosim Vas dala by sa schema spetnej vezby tyristoroveho usmernovaca z Vasho prispevku na svarfore niekde upnut?
Potreboval by som postavit taky riadeny usmernovac,len ulozto uz nefunguje,alebo prosim Vas poslali by ste mi to na e-mail?
e-mail jaropstk@gmail.com Velmi pekne dakujem
Offline
Offline
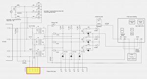
Dobrý den.Som tu nový ,a poprosil by som skusenejsich o radu.Chcel by som spojazdnit otcovu zvaracku,doma robenu ,len nedokoncenu.Jedine co jej chyba, je riadenie prudu.Trafo je 3fazove ,sekundar 3x42v, jadro 42cm2,zapojene do hviezdy.Skusal som to urobit triakmi v primari ,ale dlho to nevydrzalo,trafo sa hrialo a drnelo.Toto tyristorove riadenie sa mi celkom pozdava,len tomu celkom nerozumiem ,na scheme to oznacene,![]()
![]()
Editoval Jaro226 (23-01-2026 22:01:13)
Offline
Celý problém je mezi monitorem a židlí . Kdyby jsi si stáhl podklady zde uvedené , tak by jsi zjistil , že je výkonová část zapojena jinak a hned ti taky bude připojení jasné . Ty vývody tvrdých fází jsou pro sledování pořadí . No a o popisu traf autorem pomlčím , umíš číst ? Ten první obrázek k uvedenému řízení nepatří !!!
Offline
Kdybych již svářečku neměl , tak bych se do toho dal . Zde bude problém "sfázování" jednotlivých trafíček-určit "začátky a konce" vinutí . To autor nepopisuje , ten fígl dát to dohromady-sfázovat bez měřáků by mohl prozradit . U těch malých trafíček bych to dělal tak , že zapojím sekundár s primárem do serie a napětí se buď přičte , či odečte , pro jednoduchost bych zapojil dva primáry za sebou , abych mohl použít napětí 230V . Tím máme určených všech 5 traf a nyní sfázovat s výkonovým sekundárem ....
A ještě , pokud autor dodržel absolutně popis vývodů (proto je tam dal) traf a 1čka odpovídá 3ce , tak by mělo stačit to natvrdo tak zapojit .
Editoval bobobo (24-01-2026 08:05:36)
Offline
Takováta trafa lze koupit na burze za 50 centů/kus . Za kolikže jsi to schopen dělat ???????
Offline
Ja mam na to prakticky vsetko,len neviem parametre tychto trafakov
Offline
Proč si nestáhneš ten odkaz , je zdarma . Tam je vše , fotky i popis https://webshare.cz/#/file/2BdE7xF6Aj/svarecka-zip
co a proč používá i celá teorie , prostě vše , sám jsem čerpal pro odpověď sem z toho odkazu .
Offline
mam to uz stiahnute,ja by som potreboval len parametre tych traf,pocet zavitov
Offline
Ty si z nás děláš srandu - je tam napsáno - Původem se jedná o transformátorek 110V/24V-2VA .
Jenom pro obrázek https://www.sbazar.cz/inzerat/219005219 … -220v-380v
vzorec je 45/sloupek , ale proč to vyrábět , 5ks
Offline
Aha to som si nevsimol tieto mam
Offline
Ne , tys to nečet .
Offline
Stránky: 1 2