SVARFORUM.cz - forum o svářečkách a svařování


Chcete-li přispívat do fóra, musíte se zaregistrovat !


Navštivte také:      SVAR INFO
Reklama na SVARFORUM

Nejste přihlášen(a)

SVARINFO - magazín o praktickém svařování


#26 Včera 18:24:53

jirkati
Moderator
Místo: Liberec
Registrovaný: 07-12-2007
Příspěvky: 4635

Re: Tlmivka do invertora

To Coolbertos - napsal jsem, že se na oblouku uplatňuje řada fyzikálních zákonů.
U svařovacího oblouku tedy musí platit že U = I x R. Daný zákon se se změnami jednotlivých veličin vyrovnává velice snadno. Jestliže "natáhnu" oblouk zvýší se elektrický odpor v obvodu. To znamená, že poklesne procházející svařovací proud a stoupne napětí na oblouku. To má při svařování značný vliv, protože napětí urychluje kapku z natavené špičky elektrody. Velká rychlost při dopadu kapky znamená rozstříknutí tavné lázně a tedy mnoho kuliček okolo sváru.
Proto se ve Svářečské škole učí, že ideální délka oblouku u obalované elektrody je průměr jejího jádra.
U metody MIG/MAG se zase učíme, že správný výlet drátu z průvlaku je 10 x jeho průměr. Tím je zaručený správný elektrický odpor celého obvodu. "Natahování" oblouku znamená prodloužení výletu drátu. Ten delší drát má zase větší elektrický odpor, stoupne tedy napětí .....
U metody TIG je to zcela obdobné.

Offline

 

#27 Včera 20:57:15

Famater
Člen
Místo: Hradec Králové
Registrovaný: 24-01-2012
Příspěvky: 5015

Re: Tlmivka do invertora

Jirkati, tady musím trochu oponovat. To co píšeš úplně neplatí, protože u MMA  je proud regulován přibližně na konstantní hodnotu. Proto souhlasím s Varokem.
K#18: právě proto, že to je složité jsem se ve svém příspěvku dopustil schválně zjedndušení. U MIG MAG v kapkovém přenosu a nejen je nastavení dynamiky velmi podstatné. Že nastavení dynamiky u automatů není sranda nepochybuji. Ale kdo z nás má v garáži automat, že?


TP1500, KITin 170LA, JLT250 ACDC,vodní chlazení vl. výroby, hořák SR18, Binzel SR26 s pot., Plasma CUT55, autogen PB-kyslík
Křemíková 3fáz 200A vl. konstrukce

Offline

 

#28 Včera 22:25:11

jirkati
Moderator
Místo: Liberec
Registrovaný: 07-12-2007
Příspěvky: 4635

Re: Tlmivka do invertora

Famater - nenuť mně hledat fantastická laboratorní videa z brněnského Linde někdy z r. 1990. Byly tam záběry jak na různé parametry a způsoby svařování MIG/MAG, tak na problémy při svařování MMA bazickými a tehdy poměrně rozšiřujícími se možnostmi využívání rutilek. Oscilogramy elektrických dějů při obou zmíněných metodách, zpomalené záběry z hoření oblouků obou metod se zobrazením zkratových i sprchových procesů přenosu. Nejen pro mně to byl vynikající celodenní zážitek. (Jako vedlejší informace byla návštěva stanice na "výrobu" argonu a dalších plynů ze zkapalněného vzduchu, návštěva plnírny plynů do tlakových lahví, včetně plnírny acetylénu se všemi souvisejícími činnostmi.)
Ta zmíněná videa mám někde na starých videokazetách a nejdřív bych musel opravit videorekordér a vyřešit přegrabování do PC a pak teprve vypálit na DVD.
Že mi oponuješ je naprosto správné, ale žádná svářečka nedává konstantní proud. Když se postavíš k MMA svářečce s digitálem, který zobrazuje současně aktuální proud a napětí, tak uvidíš, jak se při běžném svařování obě hodnoty rychle mění. Je tam vidět každý milimetr měnící se délky plazmového jádra hořícího oblouku.

Offline

 

#29 Dnes 00:18:04

Coolbertos
Člen
Registrovaný: 02-03-2026
Příspěvky: 14

Re: Tlmivka do invertora

to jirkati: Zvarujem väčšinu času s rutilkami tak 80-90% v pomere ku bázickým elektródam. S rutilom zvarím 2mm plech spokojne a v kukle si všimnem na konci zvaru rožhavený plech okolo zvaru aj koniec zvaru je placatejší ale bazická elektróda mi príde agresívnejšia aj na 50A a rutilovka kľudne aj 80A ale prepáliť to ide tažšie. Napríklad keď robím dieru s rutilom 2mm elektróda nastavím kľudne 120A a krúživím pohybom vyrežem dieru do 2mm plechu ale tiež to trvá určitý čas(2-4 otocky na priemer požadovaný). Dosť mi vadí v kukle bielomodrá žiara oblúku bázickej elektródy, koľkokrát sa bojím že kukla nestmavla. Elektróda keď je príliš dlhý oblúk zvukovo viac syčí tak to zas nemám ale snažím sa ju netlačiť do materiálu úplne.

Offline

 

#30 Dnes 00:22:54

Coolbertos
Člen
Registrovaný: 02-03-2026
Příspěvky: 14

Re: Tlmivka do invertora

Tak som vyškúšal 50A na bázickej 2mm ale veľmy som sa zo začiatku trápil. Bolo to také že to zhasínalo v kratšom intervale zo začiatku aj som sa snažil ju priblížiť čo to dalo nelepila len občas zhasol oblúk.
Začal som ako prvý krát z ľava do prava.
http://www.svarforum.cz/forum/uploads/thumbs/11727_elda_na_50ahore.jpg
http://www.svarforum.cz/forum/uploads/thumbs/11727_vysledok_50a_bazicka.jpg
http://www.svarforum.cz/forum/uploads/thumbs/11727_spodna_strana_50a.jpg

Offline

 

#31 Dnes 07:13:02

bobobo
Člen
Registrovaný: 20-08-2009
Příspěvky: 4531

Re: Tlmivka do invertora

Famater si hraje na absolutno . Jistěže se napětí a proud mění v závislosti na délce oblouku . Ví každé svářečské mimino . A mimino ví , že právě tato závislost je větší u MMA zdroje a to schválně , u MXG je ten rozdíl v desetinách V a přesto se ukáže . Zdroj MXG má tzv. plochou charakteristiku . Pochopitelně se tlumivka používá i v MXG . Tzv. všemi známá WLSP má pořádný kus materiálu s odbočkami a ty si svařeč nastaví v praxi nejlépe . U nových zdrojů je vlastnost tlumivky-běžné čívky , nahrazena dynamickými vlastnostmi zdroje , řízenými procesorem .
Kůle , zvaž diskutovat s tímto ---- http://www.svarforum.cz/forum/viewtopic.php?id=14153  .

Offline

 

#32 Dnes 12:21:54

pavel0065
Člen
Registrovaný: 28-08-2016
Příspěvky: 65

Re: Tlmivka do invertora

BUBUBUBU napsal   Ale prd zapomněl . Kdyby to dělal , tak by se pochlubil . Další z ňafalů . Těch tady bylo .
Zase samé žvásty ,raději ukaž nějakou svou práci kterou nám dlužíš .
Na mém příspěvku jsi jaksi podezřele skončil MACHŘE a tady zase prudíš.
Varokovy ŇAFALE nesaháš ani po kotníky.

Offline

 

#33 Dnes 12:46:46

ZDENÁL
Člen
Registrovaný: 03-01-2009
Příspěvky: 1776

Re: Tlmivka do invertora

Jen sebevrah chce bazickou elektrodou svařovat tenké plechy. Levné invertorové svářečky většinou nemají tlumivku a to se nejvíc projevuje právě na tenkých bazických elektrodách. Nejde jen o zapálení, na to má největší vliv napětí na prázdno, jde i o udržení oblouku. Při malých proudech je absence tlumivky nejvýraznější. Na svářečku napájenou 220V stačí malá tlumivka do 180A. Mám to vyzkoušeno a je to opravdu velký rozdíl. Pokud se nechcete zdržovat úpravami svářecího zdroje, kupte si elektrody OK 46.00 a nemusíte nic řešit.

Offline

 

#34 Dnes 13:01:19

Famater
Člen
Místo: Hradec Králové
Registrovaný: 24-01-2012
Příspěvky: 5015

Re: Tlmivka do invertora

Bobobo, slez už konečně s toho svého pomyslného piedestálu univerzálního znalce. Nejsem žádné svářečské mimino, proto vím, jaký je rozdíl v regulaci zdroje MMA (TIG) a MIG MAG. Na MMA skutečně se mění jak napětí, tak proud. Napětí podle strmosti V-A charakteristiky zdroje. Ta bývá i invertorovývch zdrojů velmi strmá. To je důvod proč jsem napsal, co jsem napsal jako odezvu Jirkatimu. Měl jsem na mysli statické charakteristiky. A jinak so se týká pořádné tlumivky ( nebo elktronické) v podstatě píšeš co jsem napsal já. U zkratového režimu je dynamická charaktaristika úplně zásadní.
Pro Jirkatiho: Můj původní příspěvek se týkal právě dynamických vlastnosti svářečky, kde jsem chtěl upozornit na velmi zjednodušené vnímání vlivu tlumivky. A také proč s některými svářečkami bývají potíže s bazickými elektrodami. Nechtěl jsem zabíhat do nějaké "hluboké" teorie. Pokud by o to šlo, dokázal bych sejmout oscilogramy V a A na hořící elektrodě. Ale to by nebylo v této diskuzi moc přínosné.


TP1500, KITin 170LA, JLT250 ACDC,vodní chlazení vl. výroby, hořák SR18, Binzel SR26 s pot., Plasma CUT55, autogen PB-kyslík
Křemíková 3fáz 200A vl. konstrukce

Offline

 

#35 Dnes 14:37:18

Radim
Člen
Místo: Severní Morava
Registrovaný: 17-12-2008
Příspěvky: 4759

Re: Tlmivka do invertora

Já bych jen poznamenal, že v oblouku v podstatě neplatí ohmův zákon. Vodivost oblouku určuje okamžité množství iontů, které se dokáže z pevné hmoty, elektrody a obalu, případně trochu i svařovaného kovu, dostat do vznosu do formy tuším plazmy. To množství je dost proměnlivé, takže neplatí, že když se elektrody oddálí třeba dvakrát, že příslušně jakoby na dvojnásiobném odporu  klesne proud a stoupne napětí.

Offline

 

#36 Dnes 15:44:06

varok
Člen
Místo: Havířov
Registrovaný: 20-11-2009
Příspěvky: 8910

Re: Tlmivka do invertora

ZDENÁL: Aha, ty úplně levné svářečky nemají tlumivku vůbec? Tak to se omlouvám. Viděl jsem pár rozebraných mašinek, jak na vlastní oči tak obrázky a vždycky tam nějaká tlumivka byla. I když někdy jen taková ta jednoduchá na tom prstýnku, nebo jak se tomu odborně říká, ale byla.


Omicron GAMA 1900L HF, Omicron GAMASTAR 176L, kukla BOHLER Guardian 62

Offline

 

#37 Dnes 16:05:50

ZDENÁL
Člen
Registrovaný: 03-01-2009
Příspěvky: 1776

Re: Tlmivka do invertora

Nemají a pak nechtějí svařovat bazickými elektrodami.

Offline

 

#38 Dnes 20:02:16

Coolbertos
Člen
Registrovaný: 02-03-2026
Příspěvky: 14

Re: Tlmivka do invertora

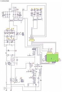
Prikladám Schému zapojenia a tiež tam tlmivku nevidím. Tlmivka je na ceste tak zatiaľ si spravím škatuľu a konektory.
http://www.svarforum.cz/forum/uploads/thumbs/11727_digimig200hit_schema_zapojenia.jpg

Offline

 

Zápatí

O SvarFóru + Pravidla

Powered by PunBB

SVARFORUM diskusní fórum o svářečkách, svářečích a svařování kovů i plastů.
Ze skupiny SVARWEB - portál vašeho svařování.   2005 Notice: Use of undefined constant Y - assumed 'Y' in /DISK2/WWW/svarforum.cz/www/forum/footer.php on line 139  -  2026


Doporučujeme:  Dětské montérky a maskáče